Tempomateinbau Vectra B

Diskutiere Tempomateinbau Vectra B im Vectra - Allgemein Forum im Bereich Opel Vectra Problemforum; Ist bei mir leider nicht vorhanden. Hast Du einen FL? Mich würde interessieren, wo das Signal für die Lampe herkommt, dann würde ich mal schauen...
K

Kilometerfresser

Eroberer
Dabei seit
10.09.2009
Beiträge
76
Hi. Also die Lampe ist vorhanden. Ist die wo der Tacho mit dem pfeil oben zu sehen ist. Allerdings fuktioniert die bei mir auch nicht, obwohl ich "ab Werk" ein Tempomat verbaut hab...
Ist bei mir leider nicht vorhanden. Hast Du einen FL?
Mich würde interessieren, wo das Signal für die Lampe herkommt, dann würde ich mal schauen, ob ich das nachrüsten kann. Denn es stört mich eigentlich schon, daß die Anzeige fehlt. Bin das einfach so von anderen Tempomatfahrzeugen gewohnt.
 
RiseFM

RiseFM

Herr der Schraubendreher
Dabei seit
23.11.2008
Beiträge
1.443
Alter
39
Ort
DM / NB
Ja, meiner ist ein fl....
 
K

Kilometerfresser

Eroberer
Dabei seit
10.09.2009
Beiträge
76
Daher der Unterschied. Schade, daß es beim VFL noch nicht berücksichtigt wurde. :P Wenn ich aber wüßte, wie bei Dir die Lampenansteuerung gemacht wurde, könnte ich's aber evtl. nachrüsten. Hast Du evtl. einen Teilstromlaufplan dafür?
 
RiseFM

RiseFM

Herr der Schraubendreher
Dabei seit
23.11.2008
Beiträge
1.443
Alter
39
Ort
DM / NB
Ich leider nicht...

Aber schau mal hier da wird der einbau ganz gut erklärt =)
 
K

Kilometerfresser

Eroberer
Dabei seit
10.09.2009
Beiträge
76
Na ja, 'ne Einbauanleitung für den Tempomaten brauche ich eigentlich nicht, denn der ist nun bereits drin und funktioniert auch (übrigens ist in diesem Thread hier ja auch eine recht gute Einbauanleitung enthalten). Ich suche nur nach einer Möglichkeit, mit einer Kontrollampe die Funktion des Tempomaten anzuzeigen. Falls ich es nicht übersehen habe, wird dazu aber in dem von Dir verlinkten Beitrag auch nicht eingegangen.
 
RiseFM

RiseFM

Herr der Schraubendreher
Dabei seit
23.11.2008
Beiträge
1.443
Alter
39
Ort
DM / NB
Anscheinend ist die Kontrollleuchte gar nicht vorgesehen in der deutschen version des Vectra´s...

schau mal hier...

Der Tip mit dem multimeter könnte klappen.... nur MUSS ja irgendwo ne zuleitung sein zu der Lampe.... muss man nur den eingang finden und strom drauflegen... leider is mein auto grad nich hier sonnst würd ich mich mal ransetzten heute =(
 
K

Kilometerfresser

Eroberer
Dabei seit
10.09.2009
Beiträge
76
Vielen Dank für den Link. Nun steht zumindest fest, daß Opel keine Anzeige für die Europäer vorgesehen hat. Da wäre wohl der jap. Schaltplan durchaus mal interessant.
So einfach ist es nun wieder nicht, sprich Lampe an den Schalter und die Kontrolle ist da. Du nimmst ja den Finger von dem Einschalttaster "R" oder "I" sofort nach Betätigung wieder runter. Das hätte zur Folge, daß die Lampe kurz angeht und dann gleich wieder aus. Man müßte diese beiden Taster über eine Oderverknüpfung mit dem Eingang eines Flipflops verbinden, der 2. Flipflopeingang muß von dem "Off"-Taster, dem Bremslichtschalter und dem Kupplungsschalter ebenfalls über eine Oderverknüpfung bedient werden. Wie aus dem Temp-Schaltplan ersichtlich ist, sind das aber Öffner und dieser Eingang müßte negierend ausgelegt sein.
Von meinem Firmen-Astra kenne ich außerdem die Funktion, daß der Tempomat, wenn man einen bestimmten Prozentsatz der voreingestellten Geschwindigkeit überschreitet, selbsttätig abschaltet. Sollte das beim Vecci genauso sein (ich hab's bisher noc nicht ausprobiert), dann würde dafür ebenfalls noch ein Flipflop-Rücksetzeingang fällig (von dem ich im Moment noch nicht mal wüßte, von wo aus ich den ansteuern sollte).
Um die Kabel nicht unnötig lang zu gestalten, wäre wohl der sinnvollste Ort für diese Bastelei, in der Nähe des Steuergerätes K14 (wo auch immer das sitzt).
In dem Zusammenhang fällt mir am Steuergerät aber der Anschluß H auf, der wohl zum Diagnosestecker geht. Was mag der wohl für ein Signal führen?
 
Zuletzt bearbeitet:
RiseFM

RiseFM

Herr der Schraubendreher
Dabei seit
23.11.2008
Beiträge
1.443
Alter
39
Ort
DM / NB
Schau mal HIER.

Da ist der einbau sehr schön erklärt und nen schaltplan gibs oben drauf auch noch =)....

aber ich wüsste jetzt nich wo man da die lampe ranmachen soll.... in den skandinavien Varianten des Vectras geht diese Kontroll leuchte wohl.... ich wette das is ganz simpel gelöst....

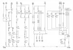
Zum Schaltplan...

Was auffällig is:

Der Stecker hat 10 kontakte, aber nur 9 sind belegt....

vieleicht is das ja der kontakt "i" oder "j" der das signal rausgibt.... es kann ja nur noch einen kontakt geben, aber der ist nicht aufgezeichnet....

Müsste man mal während der fahrt nen multimeter ranhalten und sich von irgendwo her masse besorgen und schauen ob strom kommt wenn der Tempomat an ist....

Das Steuergerät für den Tempomat is am seilzug gleich mit dran....
 

Anhänge

Zuletzt bearbeitet:
K

Kilometerfresser

Eroberer
Dabei seit
10.09.2009
Beiträge
76
Mit dem Verlinken dieser Anleitung, hast Du ganz sicher jedem Nachrüstinteressenten mit mech.Gas weitergeholfen. Ist auf jeden Fall eine gute Zusammenfassung.
Ja, da wirst Du wohl recht haben, man muß einfach mal mit dem MM am Steuergerät messen, während der Tempomat in Betrieb ist. Werde ich wohl bei Gelegenheit auch mal tun müssen, sonst geht's nicht weiter. Allerdings muß ich erst mal mein Steuergerät finden (habe keinen Seilzug, meiner is'n eGas Diesel).
 
RiseFM

RiseFM

Herr der Schraubendreher
Dabei seit
23.11.2008
Beiträge
1.443
Alter
39
Ort
DM / NB
ich hätt es schon getan aus reiner neugier, aber mein auto is ja grad nich da=(...

wenn du E-GAS hast is bestimmt das tempomatsteuerteil in deinem gas steuerteil mit drin....

hast du auch so ein kasten mit sicherungen im motorraum?
 
D

duick

Mitglied
Dabei seit
14.01.2009
Beiträge
43
Mein Tempomat funktioniert jetzt ;(;(;(
Ist ein 98er X25XE mit Seilzug, die Teile stammten auch aus einem X25XE.

Anfangs hat er zwar nicht funktioniert, aber dank der super Anleitung (Danke an den, der die geschrieben hat!!) habe ich den Fehler gefunden: Der Schalter am Kupplungspedal war nicht eingestellt worden, der muss wirklich so wie in der Beschreibung einmal ganz rausgezogen und dann mit dem Pedal eingerastet werden.

Ich habe übrigens nur einen 2-poligen Bremsschalter verbaut und habe den Tempomaten auch nicht freischalten lassen.

Ich habe noch einen 4-poligen Bremsschalter übrig, wer einen braucht, kann sich ja melden

Gruss
Steve
 
Bush85

Bush85

Eroberer
Dabei seit
03.03.2009
Beiträge
81
Ort
Weltmetropole Riedheim
Hi zusammen,

Nur nochmal rein für´s Verständnis!
Möchte ja nicht die Katz im Sack kaufen8)

Habe den Z18XE (E-Gas) als Caravan und benötige einen 2 poligen Kupplungschalter!
Ich brauche doch diesen Kupplungsschalter hier, oder:
http://img197.imageshack.us/img197/6244/dsc00965e.jpg
Kupplungsschalter original Opel Vectra B bei eBay.de: Innenausstattung (endet 24.11.09 20:55:50 MEZ) (Anzeige)
Verwirren tut mich in dieser Auktion, dass als Modell der Vectra C/Signum angegeben ist???
Und natürlich diesen hier:
BLINKERSCHALTER OPEL SINTRA OMEGA VECTRA B MIT TEMPOMAT bei eBay.de: Innenausstattung (endet 29.10.09 10:15:09 MEZ) (Anzeige)

Vielen Dank im Voraus

Gruß Benny
 
Hetfield1988

Hetfield1988

Mitglied
Dabei seit
20.10.2009
Beiträge
39
Hat jemand mal nen bild mit eingebauten Tempomat bei Seilzug?

kann bei mir nich so richtig was finden!

DANKE!
 
Bush85

Bush85

Eroberer
Dabei seit
03.03.2009
Beiträge
81
Ort
Weltmetropole Riedheim
Komisch ich habe hier im Forum immer das Gefühl um eine Antwort betteln zu müssen...

Also dann, ich kniee auf dem Boden und verbeuge mich hochachtungsvoll vor den klugen Köpfen dieses Forums:bowdown:
Kann mir bitte einer Sagen ob die Teile in den Links korekt sind???

Danke Gruß Benny
 
P

Panki 2000

EX Teammitglied
Dabei seit
10.12.2006
Beiträge
3.418
Der Kupplungsschalter ist der falsche. Meiner sieht anders aus.

Geh einfach zu Opel. Er hat mich damals 25€ gekostet neu, bei Ebay findest du den sehr selten

Du brauchst wenn du ihn noch nicht drin hast einen 4 poligen bremslichtschalter. Frag mal beim duick (siehe etwas weiter oben im Tread) an ob der seinen noch verkauft. Bei mir war auch nur ein 2 poliger vorher verbaut. Einfach mal nachschauen der hatte mich bei Opel nochmal 19€ gekostet

Wegen dem Lenkstockhebel bin ich mir jetzt nicht sicher. Ob du da jeden nehmen kannst oder ob du einen für Egas brauchst, das müssen dir andere Leute beantworten, wenn nciht einfach mal beim FOH fragen

Ich hoffe ich konnte dir die infos geben die du brauchst
 
Bush85

Bush85

Eroberer
Dabei seit
03.03.2009
Beiträge
81
Ort
Weltmetropole Riedheim
Vielen vielen Dank,

damit hast mir schon mal sehr weiter geholfen!

Aber du hast wohl Recht, ein Besuch beim FOH wird die letzten Fragen auch noch klären!
Glaubt ihr ich kann mir schon vor dem Einbau den Tempomat einprogrammieren lassen?
Beim Astra G ging es, meinte ich gehört zu haben...:confused13:

Danke nochmal,

Gruß Benny
 
P

Panki 2000

EX Teammitglied
Dabei seit
10.12.2006
Beiträge
3.418
Ich würde sagen Nein, weiß es aber nicht. Einfach mal bei Opel fragen, die wissen das 100 pro
 
McChris15

McChris15

Herr der Schraubendreher
Dabei seit
17.11.2008
Beiträge
1.004
Alter
34
Ort
Brandenburg an der Havel
So nach langer zeit krame ich das Thema mal wieder vor. Also wie schon weiter oben steht haben nen Vectra Bx20xev Bj 98 und Seilzug. Nur es muss ja iwi gehen da nen Tempomaten einzubauen. Die alten 500ter Mercedese haben das ja auch ich meine da geht das pedal mit aber egal. Und habe kein bock alle 14tage 600km ohne ihn zu fahren. Also hat das einer bei dem Vecci schon gemacht und es geht??? Wäre schon wenn einer mir sagt was ich brauche.

mfg Chris
 
starfrisör

starfrisör

Doppel-As
Dabei seit
29.07.2007
Beiträge
227
Ort
thüringen
wieso soll das nicht gehen??

ich habe sogar einen vom omega drin,

du benötigst:

steuergerät,
seilzug 4 oder 6zyl,
4poligen bremspedalschalter,
kupplungsschalter,
blinkerhebel mit tasten
 
McChris15

McChris15

Herr der Schraubendreher
Dabei seit
17.11.2008
Beiträge
1.004
Alter
34
Ort
Brandenburg an der Havel
wieso soll das nicht gehen??

ich habe sogar einen vom omega drin,

du benötigst:

steuergerät,
seilzug 4 oder 6zyl,
4poligen bremspedalschalter,
kupplungsschalter,
blinkerhebel mit tasten
Danke könnte ich den Bremslicht bzw kupplungsschalter vlt schon Verbaut haben??? Was hast du ca gezahlt für den umbau??? Gibt es Unterschiede bei den teilen Zwecks e-Gas und Seilzug??? Und eig wäre es dan doch das beste die ganze Teile aus nem Omega B mit 2liter Motor zu nehmen das müsste dann doch passen oder???

mfg Chris
 
Zuletzt bearbeitet:
Thema:

Tempomateinbau Vectra B

Tempomateinbau Vectra B - Ähnliche Themen

  • Crit'Air / Stick'AIR für Vectra B

    Crit'Air / Stick'AIR für Vectra B: Der Z18XE im Vectra B (2001) erfüllt ja eigentlich Euro 4 (NT4 auf Motorcode-Plakette); dennoch wird den Fahrzeugen nur Euro 3 zugestanden (u.a...
  • Vectra B Facelift - Massenauswertung aller VIN´s

    Vectra B Facelift - Massenauswertung aller VIN´s: Hallo, ich habe jetzt mit einer Automatisierung alle Vectra B Facelift VIN´s in einer Excel Tabelle gepackt. In Summe sind das 741.007 VIN´s. Zu...
  • Wie baut man die hinteren kleinen Seitenscheiben beim Vectra C GTS aus?

    Wie baut man die hinteren kleinen Seitenscheiben beim Vectra C GTS aus?: Hallo, kann mir jemand im groben erklären wie ich an die hinteren kleinen Seitenscheiben ran komme? Ich weiß aus meiner Recherche das diese...
  • Hilfe! Brauche Nachweis über Xenon AFL SW Vectra C

    Hilfe! Brauche Nachweis über Xenon AFL SW Vectra C: Moin, ich wusste nicht wo ich das posten kann, hoffe hier ist das in Ordnung. Kann mir eine von euch sagen wie ich meiner Versicherung beweisen...
  • Opel Vectra C ESP-Leuchte nach Tempomateinbau :-(

    ESP-Leuchte nach Tempomateinbau :-(: Hallo liebes Forum!! Bin seit nunmehr 3 Monaten glücklicher Besitzer eines Vectra C GTS! Nun, da ich etwas mehr Fahrkomfort haben wollte, habe...
  • ESP-Leuchte nach Tempomateinbau :-( - Ähnliche Themen

  • Crit'Air / Stick'AIR für Vectra B

    Crit'Air / Stick'AIR für Vectra B: Der Z18XE im Vectra B (2001) erfüllt ja eigentlich Euro 4 (NT4 auf Motorcode-Plakette); dennoch wird den Fahrzeugen nur Euro 3 zugestanden (u.a...
  • Vectra B Facelift - Massenauswertung aller VIN´s

    Vectra B Facelift - Massenauswertung aller VIN´s: Hallo, ich habe jetzt mit einer Automatisierung alle Vectra B Facelift VIN´s in einer Excel Tabelle gepackt. In Summe sind das 741.007 VIN´s. Zu...
  • Wie baut man die hinteren kleinen Seitenscheiben beim Vectra C GTS aus?

    Wie baut man die hinteren kleinen Seitenscheiben beim Vectra C GTS aus?: Hallo, kann mir jemand im groben erklären wie ich an die hinteren kleinen Seitenscheiben ran komme? Ich weiß aus meiner Recherche das diese...
  • Hilfe! Brauche Nachweis über Xenon AFL SW Vectra C

    Hilfe! Brauche Nachweis über Xenon AFL SW Vectra C: Moin, ich wusste nicht wo ich das posten kann, hoffe hier ist das in Ordnung. Kann mir eine von euch sagen wie ich meiner Versicherung beweisen...
  • Opel Vectra C ESP-Leuchte nach Tempomateinbau :-(

    ESP-Leuchte nach Tempomateinbau :-(: Hallo liebes Forum!! Bin seit nunmehr 3 Monaten glücklicher Besitzer eines Vectra C GTS! Nun, da ich etwas mehr Fahrkomfort haben wollte, habe...
  • Oben