Anhängerkupplung (AHK) nachrüsten Vectra-C

Diskutiere Anhängerkupplung (AHK) nachrüsten Vectra-C im Vectra - Räder, Fahrwerke, 4x4 Allrad & Co. Forum im Bereich Opel Vectra Problemforum; Hi, ich hoffe den zunächst den Thread hier richtig zu eröffnen. Ich habe vor, mir eine abnehmbare Anhängerkupplung zuzulegen und wollte fragen...
Torti6

Torti6

GoCart-Fahrer
Themenstarter
Dabei seit
26.04.2007
Beiträge
61
Hi,
ich hoffe den zunächst den Thread hier richtig zu eröffnen.

Ich habe vor, mir eine abnehmbare Anhängerkupplung zuzulegen und wollte
fragen, ob man diese mit ein bißchen handwerklichen Können allein montieren
kann. Die AHK als solches wird dabei sicher nicht das Problem sein, aber ein
E-Satz muss ja auch noch angeschlossen werden und dabei seh ich das Problem!?
Kann mir hier jemand die "Angst" nehmen oder sollte man sowas doch fachmännisch machen lassen.
Achso, hier gehts um einen Vectra-C-Caravan.

Danke schonmal für eure Antworten.
Grüße
 
Andi 85

Andi 85

Doppel-As
Dabei seit
25.02.2007
Beiträge
169
Alter
40
Ort
Lutherstadt Wittenberg
moin...
der e-satz is nich mehr wie früher an die rücklichter zu klemmen sondern es gibt ein modul der hinten im kofferraum links hinter der verkleidung eingesteckt wird dazu gibts noch eine stecksicherung und fertig... is ganz leicht notfalls gibts noch eine anleitung dazu... die hängerkupplung is allgemein leicht anzubauen aber die heckschürze de-und montieren etwas schwieriger weil alles son stecksystem is... ich hoffe ich konnte dir die angst nehmen...

allerdings kann es passieren das du die ahk im steuergerät freischalten lassen musst kostet vielleicht 5€ für die kaffeekasse

MFG
ANDI
 
Zuletzt bearbeitet:
Micha0670

Micha0670

Herr der Schraubendreher
Dabei seit
24.03.2007
Beiträge
1.027
Alter
55
Ort
Dormagen / NRW
Hi Torti6,

dank der neuen EU-Richtlinien brauchst du die AHK ja auch nicht tüven, sprich eintragen, zu lassen.
Du musst nur die "Anbaubescheinigung" mitführen in welcher steht das die AHK an dein Auto passt.
Habe ich bei meinem kleinen Corsa auch so gehabt. Der TÜV-Mann meinte, als ich ihn gefragt habe, zwar das ich so auch die Haftung übernehmen müsse wenn denn mal was reißt... Aber selbst wenn das mal passieren sollte, dann werden die sich, nach einer Abnahme, auch rauswinden. Also kann man sich das Geld, imho, sparen.
Wichtig natürlich die richtige Montage, dann da darf ja schon ordentlich Gewicht dran gehangen werden - bei mir 1700kg.
Aber ich habe auch keine abnehmbare sondern eine schwenkbare :151:.
Die kann ich nur empfehlen, ist echt ne bequeme und einfache Sache.
Bei meinem Omega hatte ich auch den Kugelkopf immer in der Reserveradmulde...

Anbei ein Bild meiner REC, links ist der Hebel für die schwenkbare AHK, rechts das Steuergerät.

Gruß,
Michael
 

Anhänge

G

Gast4848

Gast
Also die schenkbare gibt es leider nur für den Caravan! Ich habe mir daher auch ne normale abnehmbare nachträglich montiert! Doch ich sag dir gleich - kauf net beim Händler! Ich hab gefragt damals und wär fast umgefallen bei den Preisen! Ich hab dann meine von Brink geordert - die stellen auch für Opel direkt her.

Die Montage der Kupplung is net weiter schlimm, brauchst halt das entsprechende Werkzeug für die Löcher. Wenn wir bei den löchern sind, die sind sogar schon vorgestanzt im Kofferraum und von unten müssten die schon gebohrt sein! War bei mir so gewesen... Der E-Satz ist so ne Sache, aber eigetnlich auch net sooo schwer. Am REC gibts nur einen Steckplatz dafür und wenn du alles richtig anklemmst an der Dose wirst de keine probleme bekommmen. Die Dose anklemmen is auch ganz easy, immerhin gibts da ja ne Anleitung für! Zahlen stehen auch druff und Kabelfarben ebenfalls. Nur mut :151:

Bei Fahrzeugen bis MJ 2006 musst du die dann noch programmieren lassen, ab MJ2006 brauch man das net mehr! Die haben beim Facelift sogar die zusätzliche Blinkleuchte weggespart. 8)
 
Torti6

Torti6

GoCart-Fahrer
Themenstarter
Dabei seit
26.04.2007
Beiträge
61
Danke für eure Antworten, hat mir super weitergeholfen!!! :bowdown:
 
G

Gast30549

Gast
...Ich habe mir daher auch ne normale abnehmbare nachträglich montiert! Doch ich sag dir gleich - kauf net beim Händler! Ich hab gefragt damals und wär fast umgefallen bei den Preisen! Ich hab dann meine von Brink geordert - die stellen auch für Opel direkt her...
war gerade bei Brink auf der Seite und finde das ganz leicht mit den KBA-Nummern 0035 ACB, aber bitte was bedeutet die Frage "Mein Fahrzeug ist nicht eine OPC Ausführung"
 
G

Gast30549

Gast
Danke für die schnelle Antwort! Nein habe ich demnach nicht! Wenn ich mir die Stoßfänger so ansehe, macht jetzt auch die Nachfrage für mich Sinn. Die Auspuffanlagen sind ja auch schon völlig anders.

 
transporter

transporter

MESSIAS
Dabei seit
17.07.2004
Beiträge
8.928
Ort
Ruhrgebiet
Ja der OPC hat auch einen V6
Je nach Baujahr 255PS oder sogar 280 PS
 
BlackGhost

BlackGhost

Tripel-As
Dabei seit
01.09.2014
Beiträge
290
Ich liebäugle auch seit ein paar Wochen mit einer abnehmbaren für meinen Signum.
Auf gar keinen Fall diese Nachrüstsätze mit "universal" E-Satz kaufen, der letzte Schrott und nur Gebastel.

Hab mich auf die Westfalia eingeschossen, aber HAK und Oris sieht auch vernünftig aus.
Die beiden bekanntesten Händler im Netz sind da
www.bertelshofer.com und bei ebay ahk-point (Anzeige)

Nur als Beispiel für meinen die abnehmbare Westfalia mit 13-Pol E-Satz und Trailermodul
Opel Signum 03- WESTFALIA Anh (Anzeige) <- EUR 372,00
 
Zuletzt bearbeitet:
G

Gast30549

Gast
muß ich mich eigentlich um einen anderen Lüfter bzw. Zusatzlüfter kümmern? Ich kenne diese Thematik von anderen Marken, bei denen Fahrzeuge wo eine AHK nachgerüstet wird auch die Kühlleistung modifiziert werden muß.
 
N

Neumi

Frischling
Dabei seit
26.05.2021
Beiträge
2
Hallo ich habe mal ne frage bei meiner anhängerdose 13 polig gehts licht nicht mehr lautmessen kommt da nix an es geht alles auser das Licht sicherung im Kofferraum ist neu sitzt noch irgenwo eine sicherung ?
 
N

Neumi

Frischling
Dabei seit
26.05.2021
Beiträge
2
Hallo Danke für die schnelle hilfe das haben wir auch schon kontrolliert . Es kommt über all Strom an außer beim Licht Links und Recht kommt bei der Dose nix an werde heute noch ma die dose kontrollieren wen ich nix finde melde ich mich noch mal
 
transporter

transporter

MESSIAS
Dabei seit
17.07.2004
Beiträge
8.928
Ort
Ruhrgebiet
Sorry deine Antwort verstehe ich nicht ganz .
Du hast jetzt zb an der Klemmleiste X25 Spannung an den passenden Pin gemessen , aber es kommt keine Spannung an der Dose an ?
Bei Licht Pin 9 und 12 .
Oder mal das Modul raus gezogen und an XR 5 Pin 12 und 13 Spannung angelegt und die Lampen ging auch nicht ?
 
E

Ewok79

Frischling
Dabei seit
22.03.2026
Beiträge
5
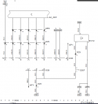
Hallo, ich stehe grade vor dem selben Problem, hab ne starre AHK mit fahrzeugspez. Elektrosatz an meinen Opel Vectra C Caravan montiert, hinten Steuermodul an den Sicherungskasten, Kabel von der Steckdose der AHK an den entsprechenden Port geklemmt, Sicherung and Port 13. Bisher kein Licht am Fahrradträger. Muss das Steuermodul erst per Tech freigeschalten werden dass da überhaupt Strom hinten anliegt? Oder dient die Freischaltung nur der Codierung von Blinküberwachung und Nebelschlussleuchten Deaktivierung?
Möchte nur sichergehn dass ich nicht umsonst zum FOH fahre nur dass der mir sagt, er kann nic machen solang hinten kein Dauerplus ist....
 
Thema:

Anhängerkupplung (AHK) nachrüsten Vectra-C

Anhängerkupplung (AHK) nachrüsten Vectra-C - Ähnliche Themen

  • [Anleitung] Anbauanleitungen für AHK Anhängerkupplung Brink downloaden

    Anbauanleitungen für AHK Anhängerkupplung Brink downloaden: Da man nicht von dieser :rolleyes:§$#&:)) Website zur Downloadsektion kommt, muss man einen kleinen Umweg gehen: und zwar geht man dazu auf...
  • Opel Signum Anhängerkupplung AHK

    Opel Signum Anhängerkupplung AHK: Hallo Leute, ich suche für meinen dicken eine abnehmbare Anhängerkupplung wenn möglich inkl. 13polig E-Satz und Trailermodul. Wer etwas hat und...
  • Opel Vectra A Anhängerkupplung ohne Strom

    Anhängerkupplung ohne Strom: Ich möchte mir morgen an meinem Vectra a eine abnehmbare ANK anbauen lassen ohne Strom, da ich die AHK nur auf privatem Grundstück brauche "Wald...
  • Anhängerkupplung Opel Vectra C

    Anhängerkupplung Opel Vectra C: Ich habe mir eine gebrauchte AHK gekauft und suche eine Montageanleitung!
  • Suche abnehmbare Anhängerkupplung mit E-Satz

    Suche abnehmbare Anhängerkupplung mit E-Satz: Suche abnehmbare Anhängerkupplung mit E-Satz für Vectra B Caravan Hey wie im Titel steht, suche ich eine solche AHK mit E-Satz. Wenn jemand eine...
  • Suche abnehmbare Anhängerkupplung mit E-Satz - Ähnliche Themen

  • [Anleitung] Anbauanleitungen für AHK Anhängerkupplung Brink downloaden

    Anbauanleitungen für AHK Anhängerkupplung Brink downloaden: Da man nicht von dieser :rolleyes:§$#&:)) Website zur Downloadsektion kommt, muss man einen kleinen Umweg gehen: und zwar geht man dazu auf...
  • Opel Signum Anhängerkupplung AHK

    Opel Signum Anhängerkupplung AHK: Hallo Leute, ich suche für meinen dicken eine abnehmbare Anhängerkupplung wenn möglich inkl. 13polig E-Satz und Trailermodul. Wer etwas hat und...
  • Opel Vectra A Anhängerkupplung ohne Strom

    Anhängerkupplung ohne Strom: Ich möchte mir morgen an meinem Vectra a eine abnehmbare ANK anbauen lassen ohne Strom, da ich die AHK nur auf privatem Grundstück brauche "Wald...
  • Anhängerkupplung Opel Vectra C

    Anhängerkupplung Opel Vectra C: Ich habe mir eine gebrauchte AHK gekauft und suche eine Montageanleitung!
  • Suche abnehmbare Anhängerkupplung mit E-Satz

    Suche abnehmbare Anhängerkupplung mit E-Satz: Suche abnehmbare Anhängerkupplung mit E-Satz für Vectra B Caravan Hey wie im Titel steht, suche ich eine solche AHK mit E-Satz. Wenn jemand eine...
  • Oben